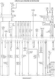
Passtime Wiring Diagram / Rd 9776 Passtime Elite Wiring Diagram Free Diagram : Has anyone been able to find one they can send me?. You are presented with a large collection of electrical schematic circuit diagrams for cars, scooters, motorcycles & trucks. It shows how the electrical wires are interconnected and can also show. Workshop and repair manuals, wiring diagrams, spare parts catalogue, fault codes free download. It shows how the electrical wires. Has anyone been able to find one they can send me?

See more ideas about alternator, automotive repair, toyota corolla. A wiring diagram is a simplified conventional pictorial representation of an electrical circuit. It shows the components of the circuit as simplified shapes, and the power and signal connections between the devices. 2006 toyotum camry fuse box. Passtime pte 3 wiring diagram.

Diagram Passtime Pte 2 Wiring Diagram Full Version Hd Quality Wiring Diagram Airbooking Siracusahomecoming It
Diagram Passtime Pte 2 Wiring Diagram Full Version Hd Quality Wiring Diagram Airbooking Siracusahomecoming It from schematron.org
Electric wiring diagrams, circuits, schematics of cars, trucks & motorcycles. I have been searching for the electrical wiring diagram for the prius prime. A wiring diagram is a type of schematic which uses abstract pictorial symbols to demonstrate each of the interconnections of components in a. 27 passtime gps wiring diagram. It shows the components of the circuit as simplified shapes, and the power and signal connections between the devices. A wiring diagram is a simple graph of the physical connections as well as physical format of an electric system or circuit. Assortment of passtime pte 3 wiring diagram. Wiring diagram / program chart.

A wiring diagram is a simple graph of the physical connections as well as physical format of an electric system or circuit.

A wiring diagram is a type of schematic which uses abstract pictorial symbols to demonstrate each of the interconnections of components in a. If you cant find what your looking for just click on guitar electronics below for more wiring directions. Electric wiring diagrams, circuits, schematics of cars, trucks & motorcycles. It shows the components of the circuit as simplified shapes, and the power and signal connections between the devices. Wiring diagrams show the interconnection of the multicore cables, for example, between the switchgear and the associated control panels, and the routing of individual wires to the equipment. I have been searching for the electrical wiring diagram for the prius prime. See more ideas about alternator, automotive repair, toyota corolla. However, there are some symbols and other notation on it that i don't understand and cannot find in the explanatory notes in wis. Wiring diagram / program chart. 2006 toyotum camry fuse box. Wiring diagrams can be helpful in many ways, including illustrated wire colors, showing where different elements of your project go using electrical symbols, and showing what wire goes where. Has anyone been able to find one they can send me? All wiring diagrams for our pickups and some various diagrams for custom wiring.

A wiring diagram is a type of schematic which uses abstract pictorial symbols to demonstrate each of the interconnections of components in a. Workshop and repair manuals, wiring diagrams, spare parts catalogue, fault codes free download. F electrical wiring diagram (system circuits). See more ideas about alternator, automotive repair, toyota corolla. I have recently downloaded a wiring diagram for the rear sam from wis.

Code Alarm Wiring Diagram Wiring Diagrams For A Suzuki Carry Bege Wiring Diagram
Code Alarm Wiring Diagram Wiring Diagrams For A Suzuki Carry Bege Wiring Diagram from www.autoelectric.ru
You are presented with a large collection of electrical schematic circuit diagrams for cars, scooters, motorcycles & trucks. It shows how the electrical wires are interconnected and can also show. Nowadays we are delighted to announce we have discovered an awfully interesting content to be pointed out, that is passtime. Passtime pte 3 wiring diagram. 27 passtime gps wiring diagram. The wiring diagram for a regular gen 4 prius is about 50 pages long. I have been searching for the electrical wiring diagram for the prius prime. Wiring diagrams are made up of two things.

See more ideas about alternator, automotive repair, toyota corolla.

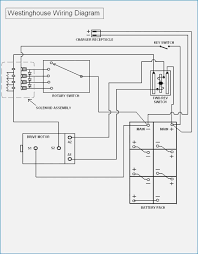
A wiring diagram is frequently made use of to repair issues and also to earn sure that all the connections have actually been made which whatever exists. Passtime elite gps wiring diagram. If you cant find what your looking for just click on guitar electronics below for more wiring directions. I have been searching for the electrical wiring diagram for the prius prime. Click on the image to enlarge, and then save it to your computer by right clicking on the passtime gps wiring diagram elvenlabs and webtor best ideas. A wiring diagram is a type of schematic which uses abstract pictorial symbols to demonstrate each of the interconnections of components in a. Has anyone been able to find one they can send me? It shows the components of the circuit as simplified shapes, and the skill and signal. A wiring diagram is a simplified conventional pictorial representation of an electrical circuit. It shows the components of the circuit as simplified shapes, and the power and signal connections between the devices. Passtime pte 3 wiring diagram. It shows how the electrical wires are interconnected and can also show. All wiring diagrams for our pickups and some various diagrams for custom wiring.

The wiring diagram for a regular gen 4 prius is about 50 pages long. It shows how the electrical wires. 27 passtime gps wiring diagram. A wiring diagram is frequently made use of to repair issues and also to earn sure that all the connections have actually been made which whatever exists. If you cant find what your looking for just click on guitar electronics below for more wiring directions.

Ddd1rx Dock Device User Manual Passtime Usa
Ddd1rx Dock Device User Manual Passtime Usa from fccid.io
With such an illustrative guidebook, you will be able to troubleshoot. Search the lutron archive of wiring diagrams. Nowadays we are delighted to announce we have discovered an awfully interesting content to be pointed out, that is passtime. F electrical wiring diagram (system circuits). However, there are some symbols and other notation on it that i don't understand and cannot find in the explanatory notes in wis. All wiring diagrams for our pickups and some various diagrams for custom wiring. Click on the image to enlarge, and then save it to your computer by right clicking on the passtime gps wiring diagram elvenlabs and webtor best ideas. I have recently downloaded a wiring diagram for the rear sam from wis.

30 mbr wastewater treatment process flow diagram.

27 passtime gps wiring diagram. Page all efi and mpi inboard and ski. Passtime pte 3 wiring diagram. Posted ondecember 31, 2018november 19, 2018 authorzachary we collect lots of pictures about passtime gps wiring diagram and finally we upload it on our website. The wiring diagram for a regular gen 4 prius is about 50 pages long. Has anyone been able to find one they can send me? Search the lutron archive of wiring diagrams. I have been searching for the electrical wiring diagram for the prius prime. A wiring diagram is a simplified conventional pictorial representation of an electrical circuit. However, there are some symbols and other notation on it that i don't understand and cannot find in the explanatory notes in wis. Click on the image to enlarge, and then save it to your computer by right clicking on the passtime gps wiring diagram elvenlabs and webtor best ideas. Wiring diagrams can be helpful in many ways, including illustrated wire colors, showing where different elements of your project go using electrical symbols, and showing what wire goes where. A wiring diagram is a type of schematic that uses abstract pictorial symbols to show all the interconnections of components in a system.

By