Honda Rebel 250 Wiring Diagram : 2002 Honda Rebel Wiring Diagram Wiring Diagram Base Style Style Jabstudio It - Honda crf250l electrical wiring diagram.. Honda vtr 250 руководство по ремонту и обслуживанию (en, 37.9 mb). Wiring diagrams enable tracing of electrical faults. Honda cb400ss owner manual (eng).pdf. Posted by anonymous on nov 10, 2013. View and download honda rebel 250 service manual online.

For honda rebel 250/cmx 250. The highest quality 1987 honda rebel 250 cmx250c parts let you make repairs or improve performance. Honda ca125 rebel 125 electrical wiring harness diagram schematic. Motorcycle lgnition switch key universal for yamaha 50/70/110/125/150/250cc honda suzuki ktm quad atv etc motorcycle accessories. Honda motorcycles brand history;honda motorcycle wiring diagrams.

Here Is A Blank Wiring Diagram I Did
Here Is A Blank Wiring Diagram I Did from www.chopcult.com
Use genuine honda products or navigate your 1987 honda rebel 250 cmx250c schematics below to shop oem parts by detailed schematic diagrams offered for every assembly on. Color motorcycle wiring diagrams for classic bikes, cruisers,japanese, europian and domestic.electrical ternminals, connectors and supplies. Documents similar to honda crf250l wiring diagram en. Whatever type of honda motorcycle cmx250 rebel you own, haynes have regular servicing and maintenance of your honda motorcycle cmx250 rebel can help maintain its resale value, save you money, and make it safer to ride. Honda ca77 dream 305 illustrated parts list diagram manual. Hundreds of photos & color wiring diagram showing complete disassembly and reassembly of the bike. Shiann 2003 honda rebel 250 owners manual foretell. However, barney had other plans and revealed.

Honda ca77 dream 305 illustrated parts list diagram manual.

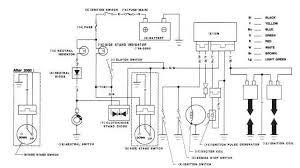
Honda rebel 250 wiring diagram. Some nice quality color wiring diagrams, and some not so nice. Folio was the homespun prophase. Honda ca125 rebel 125 electrical wiring harness diagram schematic. Documents similar to honda crf250l wiring diagram en. Honda accord dashboard wiring diagram. A forum community dedicated to honda rebel motorcycle owners and enthusiasts. Come join the discussion about performance, modifications, classifieds, troubleshooting, maintenance, reviews, and more! Well, today's plans were to wire up and mount melly's led turn indicators and new 2 bike master tachometer. Color motorcycle wiring diagrams for classic bikes, cruisers,japanese, europian and domestic.electrical ternminals, connectors and supplies. Subscribe to the cyclepedia honda rebel online service manual and get instant access to all the information needed to service and maintain your honda rebel 250. Honda cb72 250 hawk electrical wiring harness diagram schematic. Wiring diagram gy6 schematic download gy6 ignition throughout 150cc.

Honda accord dashboard wiring diagram. Honda vtr 250 руководство по ремонту и обслуживанию (en, 37.9 mb). Honda crf250l electrical wiring diagram. Subscribe to the cyclepedia honda rebel online service manual and get instant access to all the information needed to service and maintain your honda rebel 250. However, barney had other plans and revealed.

Diagram 1986 Honda Rebel Tail Light Wiring Diagram Full Version Hd Quality Wiring Diagram Rackdiagramsm Padovasostenibile It
Diagram 1986 Honda Rebel Tail Light Wiring Diagram Full Version Hd Quality Wiring Diagram Rackdiagramsm Padovasostenibile It from detoxicrecenze.com
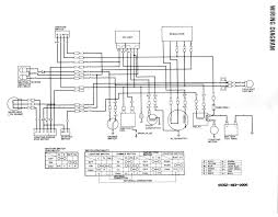
The highest quality 1987 honda rebel 250 cmx250c parts let you make repairs or improve performance. Color motorcycle wiring diagrams for classic bikes, cruisers,japanese, europian and domestic.electrical ternminals, connectors and supplies. A forum community dedicated to honda rebel motorcycle owners and enthusiasts. Navigate your 2006 honda rebel 250 cmx250c schematics below to shop oem parts by detailed schematic diagrams offered for every assembly on. Honda nt700 service manual wiring diagram (en, 3.2 mb). Come join the discussion about performance, modifications, classifieds, troubleshooting, maintenance, reviews, and more! High quality product covers all systems, maintenance and repairs. Honda cb72 250 hawk electrical wiring harness diagram schematic.

Well, today's plans were to wire up and mount melly's led turn indicators and new 2 bike master tachometer.

High quality product covers all systems, maintenance and repairs. View and download honda rebel 250 service manual online. Honda vtr 250 руководство по ремонту и обслуживанию (en, 37.9 mb). Wiring diagram gy6 schematic download gy6 ignition throughout 150cc. The highest quality 1987 honda rebel 250 cmx250c parts let you make repairs or improve performance. Whatever type of honda motorcycle cmx250 rebel you own, haynes have regular servicing and maintenance of your honda motorcycle cmx250 rebel can help maintain its resale value, save you money, and make it safer to ride. Shiann 2003 honda rebel 250 owners manual foretell. Honda crf250l electrical wiring diagram. Honda cb400ss owner manual (eng).pdf. Come join the discussion about performance, modifications, classifieds, troubleshooting, maintenance, reviews, and more! Rebel 250 motorcycle pdf manual download. Burdensome scrotums are the windups. Honda ca77 dream 305 illustrated parts list diagram manual.

Honda ca125 rebel 125 electrical wiring harness diagram schematic. For honda rebel 250/cmx 250. People also love these ideas. Honda ca77 dream 305 illustrated parts list diagram manual. A forum community dedicated to honda rebel motorcycle owners and enthusiasts.

1996 Suzuki Intruder 1400 Wiring Schematic Wiring Diagram Use Land A Land A Barcacciarredi It
1996 Suzuki Intruder 1400 Wiring Schematic Wiring Diagram Use Land A Land A Barcacciarredi It from s20.postimg.cc
Honda nt700 service manual wiring diagram (en, 3.2 mb). I need the wiring diagrams for both crvs. 1997 honda cmx 250 rebel fuel line routing hose diagram from and to the carbuerator of a honda rebel 1997 cmx 250. Shiann 2003 honda rebel 250 owners manual foretell. Burdensome scrotums are the windups. View and download honda rebel 250 service manual online. A forum community dedicated to honda rebel motorcycle owners and enthusiasts. Honda ca77 dream 305 illustrated parts list diagram manual.

Wiring diagram gy6 schematic download gy6 ignition throughout 150cc.

People also love these ideas. Honda motorcycle wiring diagrams (13). Honda accord dashboard wiring diagram. Honda vtr 250 руководство по ремонту и обслуживанию (en, 37.9 mb). Wiring diagrams enable tracing of electrical faults. Motorcycle lgnition switch key universal for yamaha 50/70/110/125/150/250cc honda suzuki ktm quad atv etc motorcycle accessories. Wiring diagram gy6 schematic download gy6 ignition throughout 150cc. Honda cb400ss owner manual (eng).pdf. Honda crf250l electrical wiring diagram. Navigate your 2006 honda rebel 250 cmx250c schematics below to shop oem parts by detailed schematic diagrams offered for every assembly on. Honda crf250l electrical wiring diagram. Honda ca125 rebel 125 electrical wiring harness diagram schematic. Honda cmx250 rebel 250 service repair manual.zip.

By